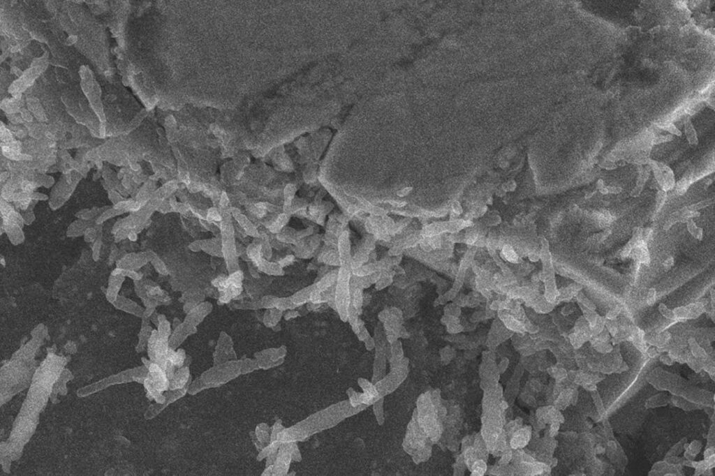
Bacteria on a sample of asteroid Ryugu observed using an electron microscope
Matthew J. Genge et al. 2024
Rocks brought back to Earth from the asteroid Ryugu appear to be inhabited by microorganisms. But researchers say these microbes almost certainly came from Earth, not space. The contamination is a wake-up call for future sample-return missions, such as NASA’s Mars rover Perseverance, to search for extraterrestrial life.
In 2020, the Japanese space probe Hayabusa2 returned to Earth carrying 5.4 grams of rock collected from the 4.5 billion-year-old asteroid Ryugu. After landing in Australia, the sample capsule was transported to a custom-built facility in Sagamihara, Japan. There, the capsule itself was first opened in a vacuum chamber inside a clean room and then moved to a room filled with pressurized nitrogen for long-term storage. From there, a portion of the sample can be placed in a container filled with nitrogen and sent to researchers.
One of these samples was sent to the UK for research. Matthew Genge Imperial College London and colleagues. Genge and his team initially scanned the samples using X-rays, but found no evidence of bacteria.

Samples from asteroid Ryugu collected by Hayabusa2
JAXA
After 3 weeks, the samples were transferred to resin and further examined using scanning electron microscopy (SEM) after another week. When Genge and his colleagues first looked at the sample and saw what appeared to be thread-like bacteria, his students “almost fell off their chairs” at the prospect of discovering extraterrestrial life. . “It was an exciting moment, but we also had in the back of our minds from previous research that bacteria tend to colonize rocks,” Genge said.
By tracking bacterial growth with follow-up SEM measurements, they found that bacterial populations varied in a manner similar to known microorganisms. Their familiar shape, combined with their absence in the first X-ray scan, makes it very likely that they were terrestrial in origin, Genge says.
He believes the samples may have become contaminated after being embedded in the resin. The experiment was conducted at a facility on Earth that also handles space rocks. Rock specimens often contain bacteria that are adapted to live within them. “All it takes is one bacterium or one bacterial spore for this to happen,” he says. “For example, when we’re preparing meteorite samples, we don’t usually see this kind of colonization happening, and that’s because the probability of it happening is so low. In this case , one bacterium fell onto the sample and started multiplying.”
But Genge added that this should serve as a warning for future sample return missions. “Finding microbes in samples returned from space should be the gold standard for discovering extraterrestrial life. If we were to do that, we would fly to Mars, collect samples, and bring them back. “If we found microorganisms in it, we would say that was the clincher,” Genge says. “But our findings really show that we have to be very careful in interpreting the samples because they are susceptible to contamination with terrestrial bacteria.”
Javier Martin Torres Researchers at the University of Aberdeen in the UK agree that changes in the microbial filament population suggest a terrestrial origin, but this does not exclude the possibility that they came from elsewhere. . “If you want to be sure that these microorganisms are not of extraterrestrial origin, you need to do DNA sequencing,” he says.
Scientists already knew that bacteria could survive very well in meteorite samples that fell to Earth, but this raises the possibility that bacteria could also survive on materials elsewhere in the solar system. It only strengthens it. “The microorganisms can use organic matter within the meteorite to sustain themselves. They’re feeding on an extraterrestrial snack,” Genge says. “So there may be an ecosystem on Mars. It’s a fairly sparse ecosystem, but it’s an ecosystem that’s supported by manna from the sky and by meteorites that fall on the surface.”
topic:
Source: www.newscientist.com












